Wednesday, 22 August 2012

NOKIA 6233 AUDIO WAYS

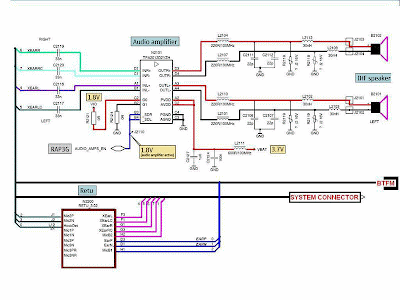
The following diagram shows the audio way of Nokia 6233





0 comments:

Post a Comment

 
Design by Free WordPress Themes | Bloggerized by Lasantha - Premium Blogger Themes | Lady Gaga, Salman Khan